标准版
#第十届立创电赛#基于树莓派的视觉yolo8数字识别

创建时间:4个月前

312 1

视频

描述

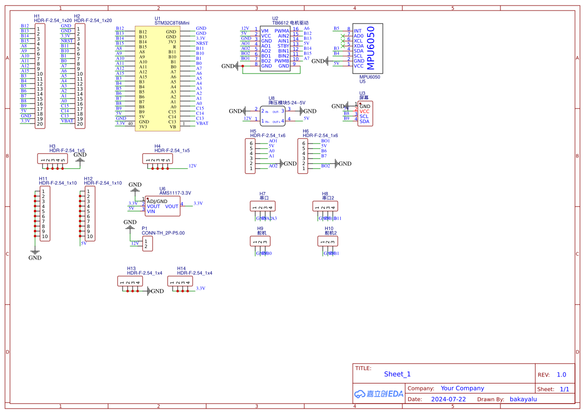
<div> <h3 style="line-height:1.8;">* 1、项目功能介绍</h3> <hr> <p style="line-height:1.8;">基于树莓派的yolo8数字识别系统 ,可以识别屏幕,地板等地方所显示的数字,帧率高可以完成多种数字识别并快速相应,并在stm32主控的OLED显示数字</p> <p style="line-height:1.8;"> </p> <h3 style="line-height:1.8;">*2、项目属性</h3> <hr> <p style="line-height:1.8;"><strong>首次公开</strong>:是</p> <p style="line-height:1.8;"><strong>原创性</strong>:是(结合了开源技术但整体架构为原创设计)</p> <p style="line-height:1.8;"><strong>获奖历史</strong>:无</p> <p style="line-height:1.8;"><strong>答辩经历</strong>:无</p> <p style="line-height:1.8;"> </p> <h3 style="line-height:1.8;">* 3、开源协议</h3> <hr> <p style="line-height:1.8;">   <em><strong>GPL-3.0</strong></em></p> <p style="line-height:1.8;"> </p> <h3 style="line-height:1.8;">*4、硬件部分</h3> <hr> <p style="line-height:1.8;">核心计算平台:Raspberry Pi 5(或 Pi 4B 8GB 作为可选),负责视频采集、模型推理与上层逻辑,建议配合主动散热/风扇与外壳散热片以保证长时间高帧率稳定运行。<br>摄像头:高帧率 USB 摄像头或 CSI 摄像头<br>存储与电源:高速 eMMC/SD(建议 32GB+ UHS-I),稳压 5V/4A 电源或更高,确保摄像头与加速器稳定供电。<br>显示/交互:小型 HDMI 显示器或触摸屏(用于实时可视化);备用:通过网页 UI/Flask 显示识别结果。<br>机电/安装:支架/外壳、线缆、USB 霍尔/延长线、支架与固定件以保证摄像头视角稳定;</p> <p style="line-height:1.8;"> </p> <p style="line-height:1.8;">此stm32原理图仅仅为了显示数字,也就是说仅仅用了OLED,注意.</p> <p style="line-height:1.8;"><img src="//image.lceda.cn/pullimage/CEPcxbVhGjgV9vDyDNrqbWUP8hgdM5ufZtnRZFrW.png" width="762" height="530" alt="CEPcxbVhGjgV9vDyDNrqbWUP8hgdM5ufZtnRZFrW.png"></p> <p style="line-height:1.8;"> </p> <h3 style="line-height:1.8;">*5、软件部分</h3> <hr> <p style="line-height:1.8;"> </p> <p style="line-height:1.8;"><img src="//image.lceda.cn/pullimage/57wcMs82dyCVDkbmBtvuWBv5HGazJF7FAw1dGs9r.jpeg" alt="" width="321" height="428"></p> <p style="line-height:1.8;">平台与依赖<br>操作系统:Raspberry Pi OS (64-bit) 。<br>运行环境:Python 3.9+,主要依赖:ultralytics (YOLOv8)、PyTorch / ONNX Runtime / TensorRT、OpenCV、numpy、pyserial、flask。<br>建议安装方式:使用虚拟环境(venv)或 Conda.<br>数据集:收集标注好的数字样本(屏幕、地板、不同光照、不同大小、不同角度),按 YOLO 格式(类/坐标)组织;数据增强.<br>模型:以 YOLOv8-small/tiny 为基线(目标是高帧率),根据精度/速度权衡选择;对模型做剪枝/蒸馏或使用量化训练(QAT)提高速度。<br>推理部署与优化<br>使用轻量模型(YOLOv8n/YOLOv8s)或自定义更小网络;<br>转为 ONNX 并使用 ONNX Runtime 或 TensorRT 加速;<br>若使用 Edge TPU,先做模型量化(int8),并编译为 Edge TPU 格式;<br>使用批量/异步推理、帧跳采样(只对关键帧做完整检测,其他帧做跟踪)与多线程(采集线程 + 推理线程 + 显示线程)结构;<br>使用简单跟踪算法(SORT / ByteTrack / DeepSORT-lite)将检测帧稀疏化,显著提升实效帧率同时保持目标连贯性。<br>预处理:统一色彩空间、固定曝光/白平衡后的归一化、letterbox 保持纵横比;可对屏幕与地板使用不同 ROI 以减少无关区域计算量。</p> <p style="line-height:1.8;"> </p> <h3 style="line-height:1.8;">*6、BOM清单</h3> <hr> <p style="line-height:1.8;"><img src="//image.lceda.cn/pullimage/lepyUBEAoJA6nnttivtlcxsf3icXYdPjA6zWvPpx.png" width="800" height="342" alt="lepyUBEAoJA6nnttivtlcxsf3icXYdPjA6zWvPpx.png"></p> <p style="line-height:1.8;"> </p> <h3 style="line-height:1.8;">*7、大赛LOGO验证</h3> <hr> <p style="line-height:1.8;"> </p> <p style="line-height:1.8;"><span style="color:#95a5a6;font-size:14px;"><img src="//image.lceda.cn/pullimage/jMKIhUVec5I4D50xnEcGNFveCsZrAb8VSQfe1oHQ.jpeg" width="482" height="452" alt="jMKIhUVec5I4D50xnEcGNFveCsZrAb8VSQfe1oHQ.jpeg"></span></p> <p style="line-height:1.8;"> </p> <p style="line-height:1.8;"> </p> <h3 style="line-height:1.8;">* 8、演示您的项目并录制成视频上传</h3> <hr> <p style="line-height:1.8;"> </p> <p style="line-height:1.8;"> </p> </div>

文档

Sheet_1

PCB_#第十届立创电赛#基于树莓派的视觉yolo8数字识别

BOM

ID Name Designator Footprint Quantity Manufacturer Part Manufacturer Supplier Supplier Part
1 HDR-F-2.54_1x20 H1,H2 HDR-F-2.54_1X20 2 LCSC C50984
2 HDR-F-2.54_1x5 H3,H4 HDR-F-2.54_1X5 2 LCSC C50950
3 HDR-F-2.54_1x6 H5,H6 HDR-F-2.54_1X6 2 LCSC C40877
4 串口 H7 HDR-F-2.54_1X4 1 LCSC C225501
5 串口2 H8 HDR-F-2.54_1X4 1 LCSC C225501
6 舵机 H9 HDR-F-2.54_1X3 1 LCSC C146690
7 舵机2 H10 HDR-F-2.54_1X3 1 LCSC C146690
8 HDR-F-2.54_1x10 H11,H12 HDR-F-2.54_1X10 2 LCSC C35445
9 HDR-F-2.54_1x4 H13,H14 HDR-F-2.54_1X4 2 LCSC C225501
10 CONN-TH_2P-P5.00 P1 CONN-TH_2P-P5.00 1 LCSC
11 STM32C8T6Mini U1 STM32C8T6MINI 1
12 TB6612 电机驱动 U2 TB6612 1
13 屏幕 U3 OLED-TH_L27.8-W27.2-P2.54_C9900033791 1 HS96L03W2C03 HS(汉昇) LCSC C5248080
14 MPU6050 U5 MPU6050 1
15 降压模块5-24--5V U8 AJ38-DC-DC5V18*13 1

附件

附件名 下载
yolo.py
yolo.onnx
BOM_直流电机_2025-10-16.csv

成员

评论(0)

  • 表情
    emoji
    小嘉工作篇
    小嘉日常篇
  • 图片
成功
工程所有者当前已关闭评论
goToTop
svg-battery svg-battery-wifi svg-books svg-more svg-paste svg-pencil svg-plant svg-ruler svg-share svg-user svg-logo-cn svg-double-arrow