版本协议

GPL 3.0

标签
标准版
#第十届立创电赛#天璇加热台_控制板_已验证

创建时间:6个月前

323 0

视频

描述

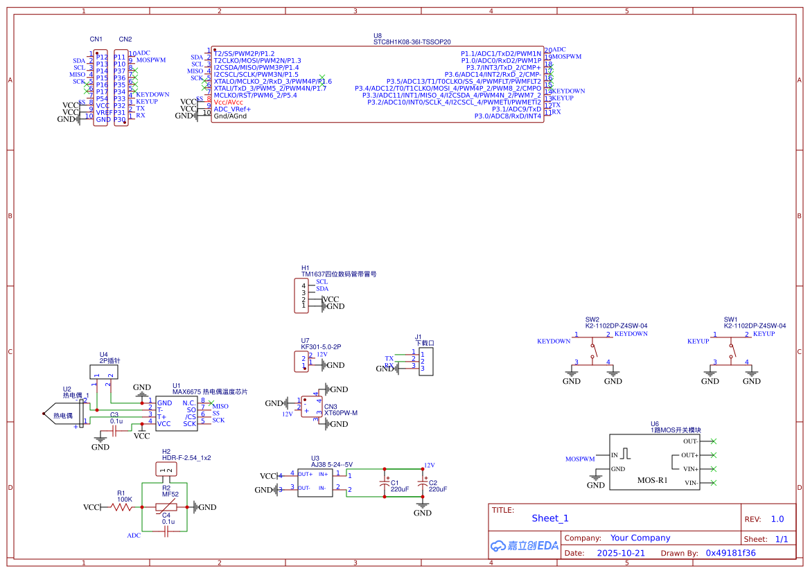
<div> <p style="line-height:1.8;">注:* 为必填项</p> <p style="line-height:1.8;"><strong><span style="color:#0093e6;">请在报名阶段填写 ↓</span></strong></p> <p style="line-height:1.8;"> </p> <h3 style="line-height:1.8;">* 1、项目功能介绍</h3> <hr> <p>核心功能是通过热电偶精确测量加热平台温度,并由单片机进行智能控制,驱动MOS管实现快速、稳定的温度输出。系统具备直观的数字显示和便捷的人机交互,适用于精密焊接、维修等场景。</p> <p>核心功能特点如下:</p> <p>高精度温度测量: 采用MAX6675热电偶芯片,直接读取K型热电偶数据,可测量0~1024°C范围的环境温度,分辨率达0.25°C,测量准确。</p> <p>智能温度控制: 主控芯片STC8H通过PID(比例-积分-微分)控制算法,动态调节MOS管的开关(PWM占空比),使加热平台的实际温度能够快速达到并稳定在用户设定的目标温度,超调小,波动低。</p> <p>直观的人机交互:</p> <p>四位数码管显示: 实时显示当前温度或设定温度。通常通过按键切换显示状态(如:常显当前温度,按下按键时显示设定值)。</p> <p>两个按键操作: 用于设定目标温度。典型设计为一个“加”键和一个“减”键。</p> <p>大功率加热驱动: 采用MOS开关模块作为电子开关,由单片机I/O口直接驱动,控制加热平台的通断。MOS管可承受大电流,实现加热平台的高效、快速升温。</p> <p>优异的硬件设计: 加热平台电路板采用希尔伯特曲线走线设计,这种空间填充曲线能使加热器在整个平面上均匀发热,避免局部过热,提供极佳的加热体验和焊接效果。</p> <p> </p> <p> </p> <p style="line-height:1.8;"> </p> <h3 style="line-height:1.8;">*2、项目属性</h3> <hr> <p style="line-height:1.8;">不是首次公开,未获奖</p> <p style="line-height:1.8;"> </p> <p style="line-height:1.8;"><span style="color:#95a5a6;font-size:14px;">注:请说明项目是否首次公开;项目是否为原创;项目是否曾经在其他比赛中获奖,若有获奖则叙述获奖详情;项目是否在学校参加过答辩。</span></p> <p style="line-height:1.8;"> </p> <h3 style="line-height:1.8;">* 3、开源协议</h3> <hr> <p style="line-height:1.8;">GPL 3.0</p> <p style="line-height:1.8;"> </p> <p style="line-height:1.8;">本工程是 天璇加热台-加热焊台-烤肉架 的控制板 https://oshwhub.com/iceiceice/jia-re-han-tai 可以直接安装在这个加热台的 底部</p> <p style="line-height:1.8;"> </p> <p style="line-height:1.8;"><strong><span style="color:#0093e6;">请在竞赛阶段填写 ↓</span></strong></p> <p style="line-height:1.8;"> </p> <h3 style="line-height:1.8;">*4、硬件部分</h3> <hr> <p>中间填充硅酸铝隔热棉10mm厚两层 防止底部热量散失过快导致温度升高过慢<br>黄铜螺柱尺寸为M3*15和M3*25+6 其中15mm为双通螺柱 <br><strong>100K热敏电阻的串联电阻选用1K电阻</strong></p> <p><strong>夸克烤肉架与底座的连接使用云母片进行绝缘 (可以使用69!lRLF2HnA22o啊 https://m.tb.cn/h.fBVHRKb  CZ3457 全新 云母片 TO-3P 大三肯对管 TO-220 TO-247 TO-3PL 绝缘片 垫)买回来后剪一下尺寸 先固定后面两个不需要云母片的螺柱 然后前面两个的螺丝就不会和铝基板接触导致绝缘失效了</strong></p> <p><strong>程序部分还有问题 温度表有些许偏差 但是200℃时的温度阻值是我调试好的 (200℃是准确的)</strong></p> <p>低于150度显示LO(LOW) 按下温度上升键开始升温并且设定温度上升一度 按下温度下降键停止升温并且设定温度下降一度</p> <p>最好使用12V10A及以上电源供电 因为我的铝基板电阻值为1.4Ω 计算得出12V时电流为8A 大家需要根据自己铝基板的电阻来选择电源 </p> <p>最高支持30V电压 最大电流为15A</p> <p>留有热电偶电路 需要的可以使用热电偶 但是程序里没有热电偶的程序</p> <p>因为本人没有加热台 所以大多数元件都是使用的直插件 如有需要 可以自行更改</p> <p style="line-height:1.8;"> </p> <p>1. 主控芯片 (MCU)</p> <p>型号: STC8H系列单片机(如STC8H1K08, STC8H3K64S2等)</p> <p>2. 温度采集模块</p> <p>芯片: MAX6675</p> <p>功能: 专用于K型热电偶的信号调理和数字化。</p> <p>3. 显示模块</p> <p>器件: 四位数码管</p> <p>4. 输入模块</p> <p>器件: 两个轻触按键</p> <p>功能:</p> <p>KEY_UP: 增加设定温度。</p> <p>KEY_DOWN: 减少设定温度。</p> <p>5. 功率输出模块</p> <p>器件: 一路MOS开关模块</p> <p>6. 加热平台</p> <p>设计: 铝基板PCB,其上蚀刻有希尔伯特曲线作为加热电阻。</p> <p>原理: 当电流流过曲线时,整个电阻丝图案会均匀发热,通过铝基板将热量均匀传导至焊接头。</p> <p>7. 声学提示模块</p> <p>器件: Aj38(无源蜂鸣器)</p> <p> </p> <p> </p> <h3 style="line-height:1.8;">*5、软件部分</h3> <hr> <h4><strong>1. 开发环境与配置</strong></h4> <ul> <li> <p><strong>主控芯片</strong>:STC8H系列</p> </li> <li> <p><strong>开发环境</strong>:基于STC8HX库的C语言开发</p> </li> <li> <p><strong>系统时钟</strong>:24MHz</p> </li> <li> <p><strong>关键宏定义</strong>:</p> <ul> <li> <p>TM1637引脚定义(SCL-P1.3,SDA-P1.2)</p> </li> <li> <p>PWM最大占空比:1000</p> </li> </ul> </li> </ul> <h4><strong>2. 核心数据结构</strong></h4> <ul> <li> <p><strong>温度查找表</strong>:<code>TEMP[150]</code> - 存储150个温度值对应的ADC采样值,用于将热敏电阻的ADC读数转换为实际温度值</p> </li> <li> <p><strong>全局变量</strong>:</p> <ul> <li> <p><code>temp_set</code> - 目标设定温度(默认280°C)</p> </li> <li> <p><code>numi</code> - 当前测量温度值</p> </li> <li> <p><code>UI</code> - 加热使能标志位</p> </li> <li> <p><code>VRE</code> - 计算得到的热敏电阻电压值</p> </li> </ul> </li> </ul> <h4><strong>3. 主要功能模块</strong></h4> <h5><strong>3.1 系统初始化(setup函数)</strong></h5> <div> <div> <div> <div> <div>见附件源码</div> </div> </div> </div> </div> <h5><strong>3.2 主循环(loop函数)</strong></h5> <div> <div> <div> <div> <div>见附件源码</div> </div> </div> </div> </div> <h5><strong>3.3 定时器中断服务程序(核心控制逻辑)</strong></h5> <div> <div> <div> <div> <div>见附件源码</div> </div> </div> </div> <pre> </pre> </div> <h4><strong>4. 核心算法与逻辑</strong></h4> <h5><strong>4.1 温度测量算法</strong></h5> <ul> <li> <p><strong>ADC采样</strong>:通过P1.1引脚采样热敏电阻电压</p> </li> <li> <p><strong>电阻计算</strong>:<code>VRE = (AD * 1000) / (1024 - AD)</code> 计算热敏电阻值</p> </li> <li> <p><strong>查找表转换</strong>:使用预定义的<code>TEMP[150]</code>查找表将电阻值转换为温度值</p> </li> </ul> <h5><strong>4.2 温度控制算法</strong></h5> <ul> <li> <p><strong>简单比例控制</strong>:<code>PWM占空比 = (设定温度 - 当前温度) × 3</code></p> </li> <li> <p><strong>无超调保护</strong>:当前温度≥设定温度时立即停止加热</p> </li> <li> <p><strong>手动控制模式</strong>:通过UI标志位允许用户手动启停加热</p> </li> </ul> <h5><strong>4.3 用户界面逻辑</strong></h5> <ul> <li> <p><strong>双显示模式</strong>:</p> <ul> <li> <p>常态:显示当前测量温度</p> </li> <li> <p>按键操作时:显示设定温度(持续3秒)</p> </li> </ul> </li> <li> <p><strong>状态指示</strong>:通过数码管特殊符号显示加热状态</p> </li> <li> <p><strong>按键功能</strong>:</p> <ul> <li> <p>P3.2:温度设定+1,开启加热</p> </li> <li> <p>P3.3:温度设定-1,关闭加热</p> </li> </ul> </li> </ul> <h4><strong>5. 关键特性</strong></h4> <ul> <li> <p><strong>实时性</strong>:5ms定时器中断确保控制响应及时</p> </li> <li> <p><strong>稳定性</strong>:采用查找表方式保证温度测量准确性</p> </li> <li> <p><strong>用户友好</strong>:清晰的状态指示和操作反馈</p> </li> <li> <p><strong>安全保护</strong>:温度超限时自动停止加热</p> </li> </ul> <p style="line-height:1.8;"> </p> <h3 style="line-height:1.8;">*6、BOM清单</h3> <hr> <p style="line-height:1.8;"><img src="//image.lceda.cn/pullimage/M87hCrVtZkzsrZKv1E37yfYs3GIydsmCfMITpNKB.png" width="726" height="397" alt="M87hCrVtZkzsrZKv1E37yfYs3GIydsmCfMITpNKB.png"></p> <p style="line-height:1.8;"> </p> <h3 style="line-height:1.8;">*7、大赛LOGO验证</h3> <hr> <p style="line-height:1.8;"><img src="//image.lceda.cn/pullimage/ZU8AJ7BXdYcVIJju1k2LjPMjNsO6YqN5asVQ6Fpd.jpeg" alt="" width="211" height="282"></p> <p style="line-height:1.8;"><span style="color:#95a5a6;font-size:14px;">请上传包含大赛logo的项目图片,logo以丝印形式印刷在PCB上面。</span></p> <p style="line-height:1.8;"><span style="color:#95a5a6;font-size:14px;">点击zip下载大赛logo标识! <span style="text-decoration:underline;"><a href="https://image.lceda.cn/easyedaResource/images/d1bbfd69f9404f56901a0e7b849b7245.rar" target="_blank">(大赛标识).zip</a></span></span></p> <p style="line-height:1.8;"> </p> <h3 style="line-height:1.8;">* 8、演示您的项目并录制成视频上传</h3> <hr> <p style="line-height:1.8;"> </p> <p style="line-height:1.8;"><span style="color:#95a5a6;font-size:14px;">视频要求:请横屏拍摄,分辨率不低于1280×720,格式Mp4/Mov,单个视频大小限100M内;</span></p> <p style="line-height:1.8;"><span style="color:#95a5a6;font-size:14px;">视频标题:立创电赛:{项目名称}-{视频模块名称};如立创电赛:《自动驾驶》-团队介绍。</span></p> <p style="line-height:1.8;"> </p> <p style="line-height:1.8;"><span style="font-size:14px;"><a href="/posts/42551e8f2f2548cabc1c36626a42da94" target="_blank">前往查看更多详情 ></a></span></p> <p style="line-height:1.8;"> </p> </div>

文档

Sheet_1

PCB_1

PCB_2

BOM

ID Name Designator Footprint Quantity Manufacturer Part Manufacturer Supplier Supplier Part
1 220uF C1,C2 CAP-TH_BD6.3-P2.50-D0.6-FD-1 2 KNE2220UF25V149EC0030 KNSCHA(科尼盛) LCSC C2943986
2 0.1u C3,C4 C0402 2
3 间距2.54MM单排母座蓝色(1*10P) CN1,CN2 HDR-TH_10P-P2.54-V-F-2 2 间距2.54MM单排母座蓝色(1*10P) null LCSC C9900012052
4 XT60PW-M CN3 CONN-TH_XT60PW-M 1 XT60PW-M AMASS(艾迈斯) LCSC C98732
5 TM1637四位数码管带冒号 H1 HDR-F-2.54_1X4 1 LCSC C225501
6 HDR-F-2.54_1x2 H2 HDR-F-2.54_1X2 1 LCSC C49661
7 下载口 J1 2.54-3P插针 1
8 100K R1 R_AXIAL-0.4 1
9 MF52 R2 RES-TH_L2.5-W2.5-P1.70-D0.3 1 MF52A1104F3950(P209-15A) Shiheng LCSC C13424
10 K2-1102DP-Z4SW-04 SW1,SW2 SW-TH_4P-L6.0-W6.0-P4.50-LS6.5 2 K2-1102DP-Z4SW-04 Rectangular Connectors - Contacts LCSC C194449
11 MAX6675 热电偶温度芯片 U1 SOIC-8_150MIL 1 MAX6675ISA+T MAXIM LCSC C16030
12 热电偶_1 U2 热电偶 1
13 AJ38 5-24--5V U3 AJ38-DC-DC5V18*13 1
14 2P插针 U4 插针2P 1 3芯插针
15 1路MOS开关模块 U6 1路MOS开关模块 1 Xu4388 Xu Xu Xu4388
16 KF301-5.0-2P U7 CONN-TH_P5.00_KF301-5.0-2P 1 KF301-5.0-2P Cixi Kefa Elec LCSC C474881
17 STC8H1K08-36I-TSSOP20 U8 TSSOP-20_L6.5-W4.4-P0.65-LS6.4-BL 1 STC8H1K08-36I-TSSOP20 STC Micro LCSC C915673

附件

附件名 下载
加热台.7z
BOM_#第十届立创电赛#天璇加热台_控制板_已验证_2025-10-21.csv

评论(0)

  • 表情
    emoji
    小嘉工作篇
    小嘉日常篇
  • 图片
成功
工程所有者当前已关闭评论
goToTop
svg-battery svg-battery-wifi svg-books svg-more svg-paste svg-pencil svg-plant svg-ruler svg-share svg-user svg-logo-cn svg-double-arrow